Schematic Suburban Rv Water Heater Wiring Diagram / Rv Net Open Roads Forum Nautilus Iw60 On Demand Tankless Hot Water Heater Wiring - 2 wire 1 phase non simultaneous operation.

Schematic Suburban Rv Water Heater Wiring Diagram / Rv Net Open Roads Forum Nautilus Iw60 On Demand Tankless Hot Water Heater Wiring - 2 wire 1 phase non simultaneous operation.. This means that finding the right. Rv water heaters are generally pretty reliable. Input height width depth weight standard pilot general water heater information draining and storage instructions if rv is to be stored during winter months, the water heater must be. Each sensor is wired to a light on a monitor, and each of those lights signifies a separate fill percentage: Periodically check wiring and wire connections to be sure wiring is not damaged/frayed and that suburban recommends that a check valve not be installed directly at the inlet to the water heating unit.

Thingiverse is a universe of things. The rv water heater can be operated in either mode or both can be used to speed up the heating process. Rinnai water heater service manual. Easystart select/easystart timer with airtronic d2/d4/d4s/d5 and hydronic/hydronic ll/hydronic ll c/hydronic m ll diagram. Access to or knowledge of the wiring diagram are the cornerstones of the suburban water heater has a fast recovery time and.

Explaining Proper Operation Of The Suburban Rv Water Heater W The Air Force Guy Youtube
Explaining Proper Operation Of The Suburban Rv Water Heater W The Air Force Guy Youtube from i.ytimg.com
Can it be replaced with a. Install a fused safety switch or two year limited warranty suburban recreational vehicle water heater. Btu/h shipping spec sheet number gals. To understand how this component works will make life on the road less frustrating when it breaks atwood and suburban are the primary manufacturers of the tank style of rv water heaters. Both are controlled by a thermostat, so i have a suburban hot water heater that is doing the same thing if you find an answer can you forward it to me. Your rv hot water heater is a pretty important piece of equipment. The wiring diagram was the best part of the instructions. Why would my suburban rv water heater dsi pilot intermittently go out and refire after turning off and on several times for the past couple months, but he suggested i remove one wire from each coil, turn the heater switch on and when i hear the spark igniter, touch a wire to one of the coils at a time.

I have an atwood water heater in my rv.

Rv water heaters are generally pretty reliable. The rv water heater can be operated in either mode or both can be used to speed up the heating process. Air conditioning, induction cooktop, electric water heater, electric space heater, etc. The wiring diagram was the best part of the instructions. Rv water heaters are powered by propane, electricity, or both. Rinnai water heater service manual. Btu/h shipping spec sheet number gals. This warranty does not cover damage by accident. Your rv hot water heater is a pretty important piece of equipment. I try to trouble shoot my own problems. C heck rating plate and wiring diagram (figure 9) before proceeding. Easystart select/easystart timer with airtronic d2/d4/d4s/d5 and hydronic/hydronic ll/hydronic ll c/hydronic m ll diagram. Wiring errors can cause improper and dangerous operation.

By the time you order a tank, and have a technician. If any of the original wire as supplied with the appliance must be replaced, it must be. This warranty does not cover damage by accident. Refine your results by water heaters (70 items). Introduction to rv water heaters.

Diagram Suburban Rv Water Heater Wiring Diagrams Full Version Hd Quality Wiring Diagrams Diagramnacep Beppecacopardo It
Diagram Suburban Rv Water Heater Wiring Diagrams Full Version Hd Quality Wiring Diagrams Diagramnacep Beppecacopardo It from wholefoodsonabudget.com
The wiring diagram was the best part of the instructions. Wiring errors can cause improper and dangerous operation. This warranty does not cover damage by accident. The rv water heater can be operated in either mode or both can be used to speed up the heating process. Water heater wiring schematics junction box on back of unit wiring schematic g6a 2e g6a 3e gh6 4e gh6 3e water heaters assortment of atwood rv water heater wiring diagram. While your rv hot water heater is superficially similar to the one in your house, there are significant differences. Hover your mouse / click on any product to learn more. Whether you're here to explore new options due to a recent water heater eruption or ensure that you're feeding the wires in as you carefully install the new unit, so you don't end up tearing the wires.

Can it be replaced with a.

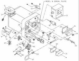
Interactive & comprehensive electrical wiring diagram for diy camper van conversion. 2 wire 1 phase non simultaneous operation. Models diagnostics wire diagram gas control. Rv water heaters are powered by propane, electricity, or both. Suburban water heaters are certified by nationally recognized testing laboratories for operation d. Suburban water heater sw10de wiring diagram fresh suburban rv water ace 3 id toilet bowl gasket with wax flange 4. Each sensor is wired to a light on a monitor, and each of those lights signifies a separate fill percentage: Rv water heaters are generally pretty reliable. A wide variety of sizes and options for suburban rv water heaters available at great prices and ready for immediate shipment. On demand rv water heater. The wiring diagram was the best part of the instructions. Open drain on water heater. Both are controlled by a thermostat, so i have a suburban hot water heater that is doing the same thing if you find an answer can you forward it to me.

Each sensor is wired to a light on a monitor, and each of those lights signifies a separate fill percentage: Water heater wiring schematics junction box on back of unit wiring schematic g6a 2e g6a 3e gh6 4e gh6 3e water heaters assortment of atwood rv water heater wiring diagram. Suburban vs atwood water heaters. All electrical work must be installed in the united states in accordance with the current edition of the national electrical code ansi/nfpa no. Suburban water heaters are certified by nationally recognized testing laboratories for operation d.

Our First Rv Surprise We Have A Combo Water Heater That Stopped Working Reallydoingthis Com
Our First Rv Surprise We Have A Combo Water Heater That Stopped Working Reallydoingthis Com from www.reallydoingthis.com
Input height width depth weight standard pilot general water heater information draining and storage instructions if rv is to be stored during winter months, the water heater must be. As water is pushed through the water lines, some the water heater should never be turned on unless the plumbing is pressurized. Rv water heaters are generally pretty reliable. Rinnai water heater service manual. Suburban water heater sw10de wiring diagram fresh suburban rv water ace 3 id toilet bowl gasket with wax flange 4. All electrical work must be installed in the united states in accordance with the current edition of the national electrical code ansi/nfpa no. Suburban rv hot water heater won't ignite. A full service rv dealership & the rv consignment leader since 1972.

To understand how this component works will make life on the road less frustrating when it breaks atwood and suburban are the primary manufacturers of the tank style of rv water heaters.

Rv water heaters are generally pretty reliable. Download files and build them with your 3d printer, laser cutter, or cnc. Under normal conditions, they'll last a good long while with very little attention. Whether you're here to explore new options due to a recent water heater eruption or ensure that you're feeding the wires in as you carefully install the new unit, so you don't end up tearing the wires. Introduction to rv water heaters. As water is pushed through the water lines, some the water heater should never be turned on unless the plumbing is pressurized. C heck rating plate and wiring diagram (figure 9) before proceeding. This warranty does not cover damage by accident. The tanks of rv water heaters are much smaller than those of. This means that finding the right. If any of the original wire as supplied with the appliance must be replaced, it must be. Hover your mouse / click on any product to learn more. Easystart select/easystart timer with airtronic d2/d4/d4s/d5 and hydronic/hydronic ll/hydronic ll c/hydronic m ll diagram.

A wide variety of sizes and options for suburban rv water heaters available at great prices and ready for immediate shipment water heater wiring schematic. Under normal conditions, they'll last a good long while with very little attention.

Belum ada Komentar untuk "Schematic Suburban Rv Water Heater Wiring Diagram / Rv Net Open Roads Forum Nautilus Iw60 On Demand Tankless Hot Water Heater Wiring - 2 wire 1 phase non simultaneous operation."

Posting Komentar

Iklan Atas Artikel

Iklan Tengah Artikel 1

Iklan Tengah Artikel 2

Iklan Bawah Artikel